Solar Permit Plan Set

Get a solar permit design

Permit Design: Solar permit design includes detailed plans for individual Solar Projects. This solar permit design not only can be submitted to their city for permit approval but also can be used to guide contractors during solar installations. 

Solar Permit Plans

Sorting Tab is excited to offer Solar Permit Packages through our Design Team to make it easier for you or your solar installer. We create each package specifically for your solar setup, making sure it meets safety rules and local regulations. Our residential packages usually take 1-2 weeks to finish, though we often complete initial drafts in just 1-2 days. Contact our sales rep for more information on ground mount, roof mount, storage, grid-tied, or standalone permit packages.

Please note: This package isn’t a building permit. You’ll need to give it to your local AHJ (Authority Having Jurisdiction), which is usually the local building department. Some places let you submit it online, but others may need you to print and deliver it by hand. Your AHJ might ask for stamps from structural or electrical engineers, which Sorting Tab can provide for an extra fee. Check with your local authority to see if you need these stamps for your project.

Our Services

With experience in over 2k+ designs, Sorting Tab ensures rapid turnaround and high approval rates. We provide full permit packages, as-built drawings, and design revisions to streamline your solar projects.

Permit Plan Sets

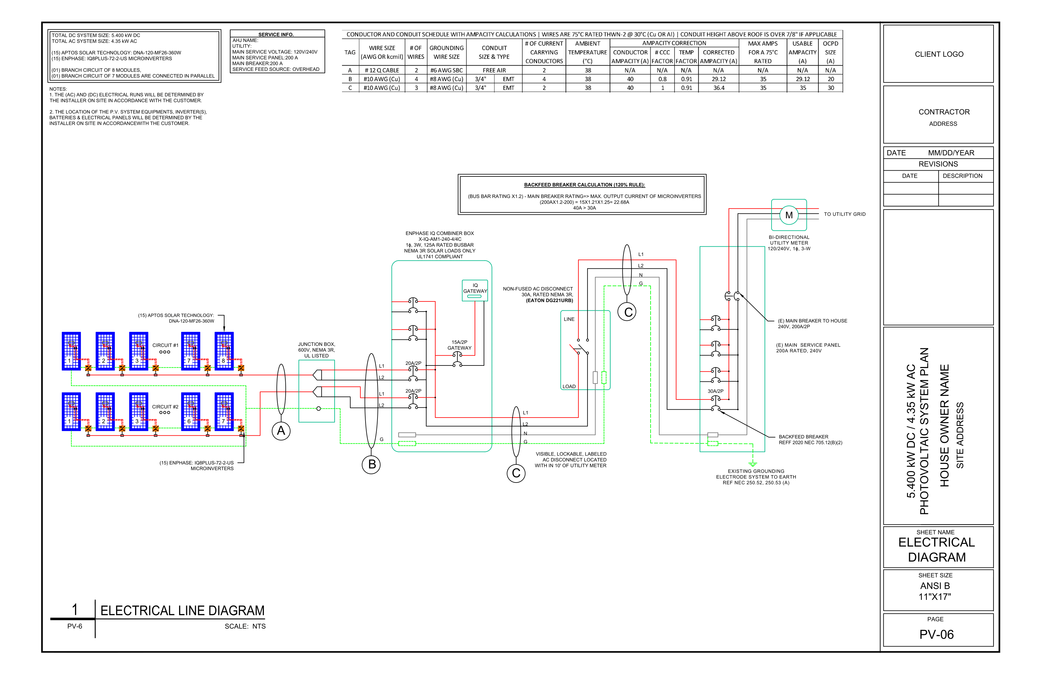
We create detailed solar and storage permit and installation design drawings for both grid-tied and off-grid residential systems. Our designs comply with National Electric Code standards (NEC 2014-2023) and local municipality requirements.

Included Features

Our permit plan sets include:

  • Cover sheet
  • Plot plan with roof and module details
  • Roof plans and structural details
  • Electrical details, SLD/3LD, and calculations
  • Wire and conduit sizing
  • Interconnection method
  • Elevations, signages, and spec sheets
  • Rapid turnaround within a few hours

As-Built Drawings

Our as-built drawings document the actual installation of the system, reflecting any design changes made during the process. They offer a detailed historical record for clients, maintenance providers, and stakeholders.

Included Features:

  • Updated permit drawing
  • Package detailing the installed system

1. STANDARD TERMS AND CONDITIONS:

These are the standard terms and conditions for Solar Permit Design and Development and apply to all contracts and all work undertaken by Sorting Tab for its clients.

2. OUR SERVICES:

Sorting Tab is dedicated to providing high-quality Solar Permit Packages through our Design Team to ease the stress on you or your solar contractor. We customize each package for your solar installation, ensuring compliance with NEC Regulations and local city codes. Our services include ground mount, roof mount, storage, grid-tied, and standalone permit packages.

3. REFUND POLICY:

We work sincerely and dedicatedly to satisfy you. Sometimes, changes may occur during the permitting process, and we will work diligently to make any necessary corrections in a timely manner. Once the Design Request Form has been submitted and work has commenced, we do not offer refunds. However, if there are exceptional circumstances, please contact us to discuss your situation further.

4. SUPPLY OF MATERIALS:

You must supply all materials and information required by us to complete the work in accordance with any agreed specification. The required information includes the Request Form and images of the electrical panel and application.

5. VARIATIONS:

We are pleased to offer you the opportunity to make revisions to the design. However, we have the right to limit the number of design proposals to a reasonable amount and may charge for additional designs if you make a change to the original design specification. Changes are subject to approval and may incur additional charges.

6. CONSEQUENTIAL LOSS:

We shall not be liable for any loss or damage which you may suffer which is in any way attributable to any delay in performance or completion of our contract, however that delay arises.

7. DISCLAIMER:

Notwithstanding anything to the contrary contained in this contract, neither Sorting Tab nor any of its employees or agents, warrant that the functions contained in the web design project will be uninterrupted or error-free. In no event will Sorting Tab or its owners or employees be liable to you or any third party for any damages, including, but not limited to, service interruptions caused by Acts of God, or any other circumstances beyond our reasonable control, any lost profits, lost savings or other incidental, consequential, punitive, or special damages.

8. ASSIGNMENT:

We reserve the right to subcontract any services that we have agreed to perform for you as we see fit.

9. NON-DISCLOSURE:

We (and any subcontractors we engage) agree that we will not at any time disclose any of your confidential information to any third party.

10. RIGHT OF REFUSAL:

Sorting Tab reserves the right to refuse or terminate service to anyone for any reason not prohibited by law. We also have the right to be free from acts or threats of disruptive behavior, abusive and/or offensive language, including intimidation, harassment and/or coercion, which involve or affect our operation. Abusive communications in any form (email, phone, in person, etc.) are strictly not tolerated.

11. GOVERNING LAW:

Regardless of the place of signing of this agreement, you agree that for purposes of venue, this agreement was entered into in Delaware, United States. Any dispute will be litigated or arbitrated in the State of Delaware, and you hereby consent to the personal jurisdiction of the Delaware Courts. This Agreement constitutes the entire understanding of the parties. Any changes or modifications thereto must be in writing and agreed by both parties.

Sorting Tab RPO is a reputable recruitment process outsourcing firm based in India that offers high-quality recruiting solutions.

Get In Touch

Okhla Vihar, Jamia Nagar, New Delhi, India
info@sortingtab.com
India No. : +91 8394926850
USA No. : +1 9027037218

© 2024 Sorting Tab | Powered by Sorting Tab